产品名称
Baumer堡盟拷贝计数器SCATEC-15 FLDM 170G1030/S42
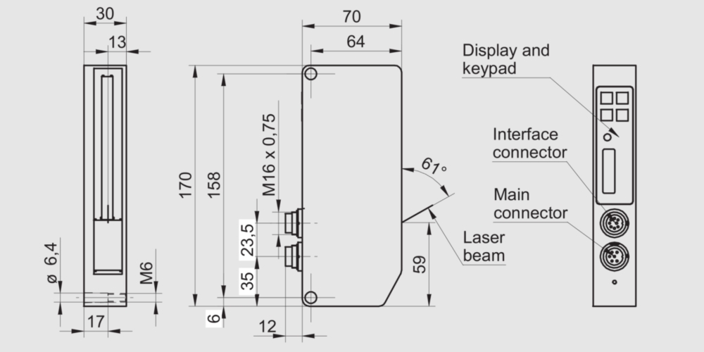
型号: SCATEC-15 FLDM 170G1030/S42
产品产地: 瑞士
特色:
0 … 120 mm;IP 54脉冲红色激光二极管,推挽4个预设点或客户自行设置
产品简介
拷贝计数器SCATEC-15 FLDM 170G1030/S42货号: 10149139
链接
没有关联



技术参数
阀功能
两位五通双电控
驱动方式
电控
宽度
42 mm
标准额定流量
1200 l/min
工作气口
底座规格 1, 符合 ISO 5599-1 标准 G1/4
工作电压
通过电磁线圈, 须另外订购
工作压力
0.2 Mpa ... 1 Mpa
工作压力
2 bar ... 10 bar
结构特点
活塞闸阀
认证
c UL us 认证 (OL)
防护等级
IP65
公称通径
8 mm
排气功能
带节流选项
密封原理
软密封
安装位置
可选
符合标准
ISO 5599-1
手控装置
通过用件锁定 按钮式
密封件材料
HVBR NBR
外壳材料
压铸铝
介质温度
-10 °C ... 60 °C
环境温度
-5 °C ... 40 °C
产品重量
190 g
产品中心 - 其他产品
电感式接近开关
进入详情
光电传感器
进入详情
目标物检测
进入详情
Baumer堡盟拷贝计数器SCATEC-15 FLDM 170G1030/S42
进入详情
